×
Genuine KDX Kawasaki Parts delivered quickly!
home
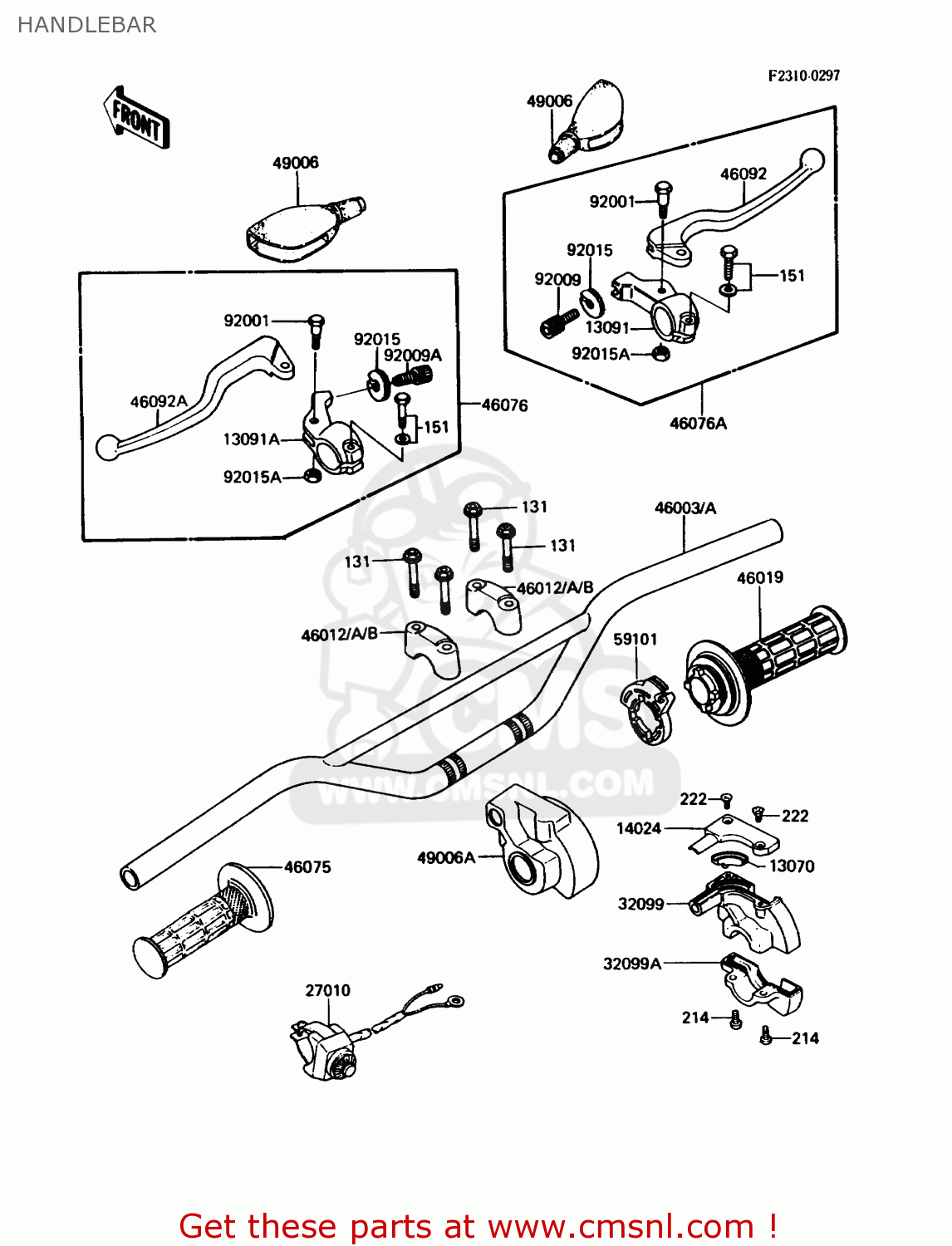
HANDLEBAR
KDX80-C2 1985 USA CANADA
Handlebar diagram KDX80-C2 1985 USA CANADA
HANDLEBAR KDX80-C2 1985 USA CANADA
×
prices are in EUR
ref
part #
description
quantity
131
131G0830
ref: 131
BOLT-FLANGED,8X30
€ 1.00
151
151N0625
ref: 151
BOLT-WP
€ 2.50
214
214C0518
ref: 214
SCREW-PAN+-
€ 2.00
222
222E0412
ref: 222
SCREW-CSK-RD-CROS
€ 2.50
13070
130701074
ref: 13070
GUIDE,THROTTLE
€ 4.00
13091
4606001121
ref: 13091
HOLDER,BRAKE LEVER,FR
€ 23.50
13091A
4609401521
ref: 13091A
HOLDER,CLUTCH LEVER,F
€ 22.50
14024
140251646
ref: 14024
COVER,THROTTLE CASE U
€ 6.50
27010
270101161
ref: 27010
SWITCH,ENGINE STOP
€ 38.00
32099
320991036
ref: 32099
CASE,THROTTLE UPP
€ 25.00
32099A
320991044
ref: 32099A
CASE,THROTTLE LWR
€ 13.50
46003
460031112
ref: 46003
HANDLE
€ 49.50
46012B
460121189
ref: 46012B
HOLDER-HANDLE
€ 21.00
46019
460191054
ref: 46019
GRIP-ASSY,THROTTLE
€ 27.50
46075
460751024
ref: 46075
GRIP,LH
€ 13.50
46076
460761011
ref: 46076
LEVER-ASSY-GRIP,LH
€ 41.00
46076A
460761103
ref: 46076A
LEVER-ASSY-GRIP,RH,BR
€ 43.50
46092
460921014
ref: 46092
LEVER-GRIP,FRONT BRAK
€ 10.00
46092A
460921015
ref: 46092A
LEVER-GRIP,CLUTCH
€ 10.00
49006
490061017
ref: 49006
BOOTS,LEVER HOLDER
€ 13.00
49006A
490061097
ref: 49006A
BOOT,THROTTLE CASE
€ 12.00
59101
591011102
ref: 59101
REEL,THROTTLE
€ 7.50
92001
92007046
ref: 92001
BOLT,HEX HEAD,5X22
€ 4.50
92009
46055001
ref: 92009
SCREW-CABLE ADJUST
€ 15.50
92009A
46055003
ref: 92009A
SCREW-CABLE ADJUST
€ 11.50
92015
46056005
ref: 92015
NUT-LOCK
€ 6.00
92015A
92019014
ref: 92015A
NUT-LOCK,5M/M
€ 2.50
up
all assemblies
CYLINDER HEAD/CYLINDER
AIR CLEANER
MUFFLER(S)
CRANKSHAFT/PISTON(S)
KICKSTARTER MECHANISM
CLUTCH
TRANSMISSION
GEAR CHANGE DRUM/SHIFT FORK(S)
GEAR CHANGE MECHANISM
CRANKCASE
ENGINE COVER(S)
CARBURETOR(KDX80-C1/C2/C3)
GENERATOR
IGNITION SYSTEM
FRAME
FRAME FITTINGS
SWINGARM
REAR SUSPENSION
FOOTRESTS
FENDERS
STAND(S)
WHEELS/TIRES
FRONT HUB
REAR HUB
BRAKE PEDAL
SHOCK ABSORBER(S)
HANDLEBAR
FRONT FORK
FUEL TANK
SEAT
CABLES
SIDE COVERS
OWNER'S TOOLS
LABELS
ACCESSORY
1984 KDX80-C1 00
1985 KDX80-C2 00
1986 KDX80-C3 00
1987 KDX80-C4 00
1988 KDX80-C5 00
Publications
Model Identification
up