×
Genuine KD Kawasaki Parts delivered quickly!
home
KD100-M3 1978 CANADA
CABLES/CHASSIS ELECTRICAL EQUIPM
12 products
OWNER TOOLS
15 products
GEAR CHANGE MECHANISM
16 products
KICKSTARTER MECHANISM
12 products
ENGINE COVERS
26 products
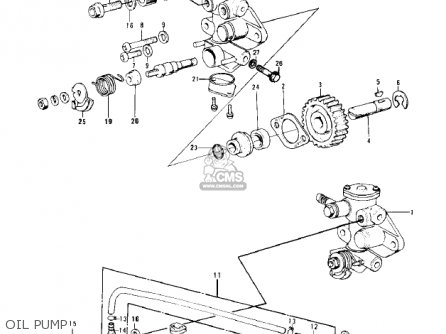
OIL PUMP
29 products
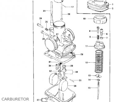
CARBURETOR
43 products
REAR HUB/BRAKE/CHAIN
27 products
FENDERS
29 products
FUEL TANK
23 products
SIDE COVER/OIL TANK
16 products
SEAT/CHAIN COVER
19 products
CYLINDER HEAD/CYLINDER
14 products
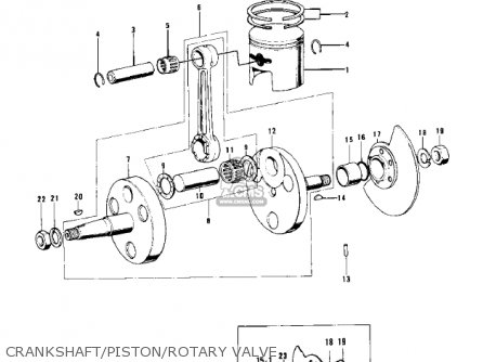
CRANKSHAFT/PISTON/ROTARY VALVE
29 products
CRANKCASE (KD100-M1/M2)
31 products
CRANKCASE (KD100-M3/M4)
35 products
CLUTCH
28 products
TRANSMISSION/CHANGE DRUM
50 products
AIR CLEANER/MUFFLER
28 products
IGNITION
27 products
FRAME/FRAME FITTINGS
17 products
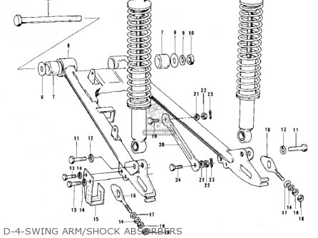
D-4-SWING ARM/SHOCK ABSORBERS
26 products
FOOTRESTS/STAND/BRAKE PEDAL
23 products
HANDLEBAR
28 products
FRONT FORK
32 products
WHEELS/TIRES
15 products
FRONT HUB/BRAKE
20 products
up
popular products
92110012
TOOL-WRENCH,BOX,21MM
Kawasaki
92101001
SPRING-SPARK PLUG CAP
Kawasaki
13075004
GEAR-SPUR,KICKSTARTER
Kawasaki
16085004
GEAR-OIL PUMP
Kawasaki