×
Genuine BN Kawasaki Parts delivered quickly!
home
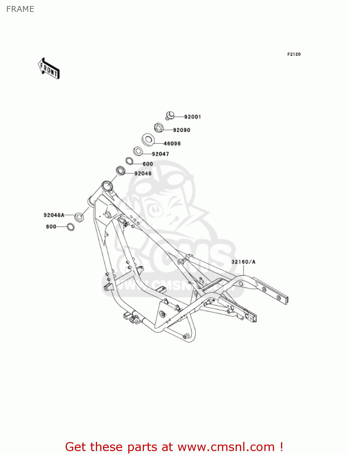
FRAME
BN125A6F ELIMINATOR 2006 USA CALIFORNIA
Frame diagram BN125A6F ELIMINATOR 2006 USA CALIFORNIA
FRAME BN125A6F ELIMINATOR 2006 USA CALIFORNIA
×
prices are in EUR
ref
part #
description
quantity
600
600A0800
ref: 600
BALL-STEEL,1/4
€ 0.50
32160
321601644
ref: 32160
[US]
FRAME COMP, FR
€ 399.00
32160A
321601765
ref: 32160A
[CA]
FRAME-COMP
€ 332.50
46098
46098016
ref: 46098
CAP,STEERING STEM
€ 4.00
92001
920011488
ref: 92001
BOLT,FLANGED,16X22
€ 13.50
92047
92047011
ref: 92047
CONE-STRNG STM BRNG
€ 14.50
92048
92048006
ref: 92048
RACE-STRNG BEARIN-STE
€ 11.50
92048A
92048008
ref: 92048A
RACE-STRNG STM BRNG
€ 16.00
92090
92090007
ref: 92090
NUT-STEERING STEM LCK
€ 8.00
up
all assemblies
HANDLEBAR
AIR CLEANER (CA)
FRONT FORK
VALVE(S)
CAMSHAFT(S)/TENSIONER
FUEL TANK
CRANKSHAFT
CLUTCH
TRANSMISSION
GEAR CHANGE DRUM/SHIFT FORK(S)
GEAR CHANGE MECHANISM
SEAT
METER(S)
CABLES
CRANKCASE
ENGINE COVER(S)
SIDE COVERS/CHAIN COVER
HEADLIGHT(S)
TAILLIGHT(S)
TURN SIGNALS
CHASSIS ELECTRICAL EQUIPMENT
IGNITION SWITCH/LOCKS/REFLECTORS
CARBURETOR
FUEL EVAPORATIVE SYSTEM (CA)
OWNER'S TOOLS
LABELS
DECALS (BLUE)(A6F)
FRAME
ENGINE MOUNT
FRAME FITTINGS
OIL PUMP/OIL FILTER
SWINGARM
SUSPENSION/SHOCK ABSORBER
FOOTRESTS
FENDERS
STAND(S)
TIRES
FRONT WHEEL
GENERATOR
REAR WHEEL/CHAIN
IGNITION SYSTEM
BRAKE PEDAL/TORQUE LINK
STARTER MOTOR
FRONT MASTER CYLINDER
FRONT BRAKE
CYLINDER HEAD
CYLINDER/PISTON(S)
AIR CLEANER (US)
MUFFLER(S)
PUBLICATIONS
up