×
Genuine AR Kawasaki Parts delivered quickly!
home
AR125A3 1985 UNITED KINGDOM FR GR ST SD
PUBLICATIONS
0 products
MODEL IDENTIFICATION
0 products
TRANSMISSION
19 products
CHANGE DRUM/SHIFT FORK
14 products
GEAR CHANGE MECHANISM
21 products
CRANKCASE
28 products
ENGINE COVER
33 products
CYLINDER HEAD/CYLINDER
16 products
AIR FILTER
14 products
MUFFLER
17 products
CRANKSHAFT/PISTON
24 products
KICKSTARTER MECHANISM
22 products
CLUTCH
17 products
CARBURETOR
44 products
OIL PUMP
21 products
GENERATOR
5 products
IGNITION COIL
11 products
RADIATOR
23 products
STAND
15 products
TIRE
7 products
FRONT HUB
13 products
REAR HUB
29 products
BRAKE PEDAL
17 products
FRAME
7 products
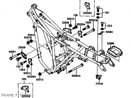
FRAME FITTING
14 products
BATTERY CASE
9 products
SWING ARM
12 products
SUSPENSION/SHOCK ABSORBER
15 products
STEP
21 products
FENDER
17 products
SEAT
20 products
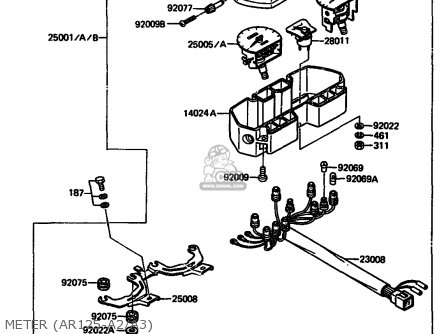
METER (AR125-A2/A3)
26 products
CABLE
11 products
SIDE COVER/CHAIN CASE
13 products
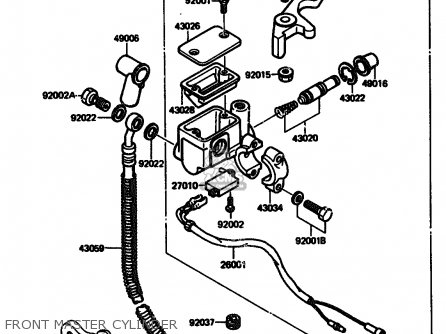
FRONT MASTER CYLINDER
20 products
FRONT CALIPER
14 products
HANDLEBAR
23 products
FRONT FORK (AR125-A2/A3)
29 products
FUEL TANK
25 products
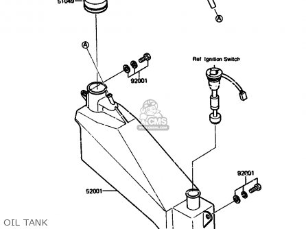
OIL TANK
4 products
IGNITION SWITCH/LOCK
23 products
TOOL
13 products
LABEL
15 products
COWLING (AR125-A2/A3)
22 products
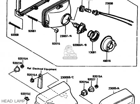
HEAD LAMP
26 products
TAIL LAMP
12 products
TURN SIGNAL (AR125-A2/A3)
18 products
ELECTRICAL EQUIPMENT
13 products
up
popular products
390621009
HOSE-COOLING,RADIATOR
Kawasaki
130891012
PLATE-CLUTCH (NAS)
Kawasaki
131681127
LEVER,CHANGE DRUM
Kawasaki
920451143
BEARING-BALL,6305YR4-
Kawasaki