×
Genuine unknown Kawasaki Parts delivered quickly!
home
W1 1966 USA CANADA
WHEELS/TIRES
25 products
FRONT HUB/BRAKE (-E/NO.54589)
34 products
FENDERS
50 products
FUEL TANK
37 products
OIL TANK
42 products
SEAT/SIDE COVER/CHAIN COVER/CHAI
33 products
CRANKCASE
72 products
CLUTCH
30 products
METERS/LIGHTS (LATE PRODUCTION)
91 products
FRONT HUB/BRAKE (E/NO.54590-)
29 products
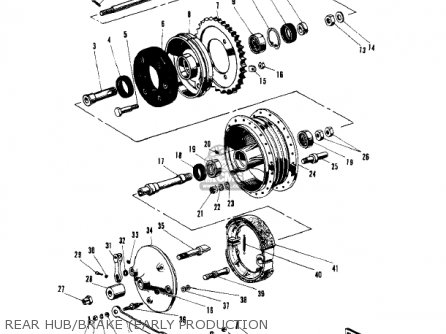
REAR HUB/BRAKE (EARLY PRODUCTION
51 products
CHASSIS ELECTRICAL EQUIPMENT
48 products
REAR HUB/BRAKE (LATE PRODUCTION)
45 products
OWNER TOOLS
18 products
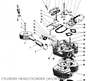
CYLINDER HEAD/CYLINDER (W1/W1SS)
46 products
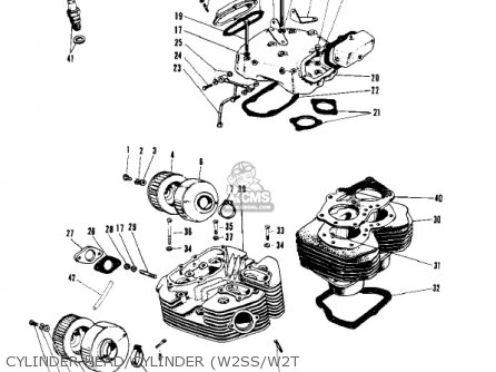
CYLINDER HEAD/CYLINDER (W2SS/W2T
45 products
CAMSHAFT/ROCKER ARMS/VALVES
58 products
CRANKSHAFT/PISTONS/OIL PUMP
44 products
TRANSMISSION (-E/NO. W1M 4000)
40 products
TRANSMISSION (E/NO. W2M 001-)
40 products
GEAR CHANGE MECHANISM
32 products
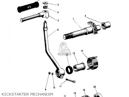
KICKSTARTER MECHANISM
22 products
TRANSMISSION CASE/GEAR CASE
33 products
PRIMARY CHAIN CASE
26 products
CARBURETOR (W1/W1SS)
38 products
MUFFLERS (W1)
22 products
IGNITION/GENERATOR/REGULATOR
86 products
FRONT FORK (W1/W1SS/W2SS) (-F/NO
62 products
CABLES
23 products
METERS/LIGHTS (EARLY PRODUCTION)
73 products
FRAME/FRAME FITTINGS
50 products
STEERING DAMPER
13 products
SWING ARM/SHOCK ABSORBERS
23 products
FOOTRESTS/STANDS/BRAKE PEDAL
52 products
HANDLEBAR (EARLY PRODUCTION)
54 products
up
popular products
11023002
GASKET-ROCKER CASE,B (MCA)
Kawasaki
23014005
SPRING-FOCUS ADJUST
Kawasaki
11023001
GASKET-ROCKER CASE,A (MCA)
Kawasaki
21039002
BRUSH,CARBOW
Kawasaki