×
Genuine ZX Kawasaki Parts delivered quickly!
home
ZX900E1 NINJA ZX9R 2000 USA CALIFORNIA CANADA
CYLINDER HEAD
25 products
CYLINDER HEAD COVER
11 products
CYLINDER/PISTON(S)
9 products
AIR CLEANER
32 products
AIR DUCT
40 products
MUFFLER(S)
12 products
VALVE(S)
32 products
CAMSHAFT(S)/TENSIONER
11 products
CRANKSHAFT
14 products
CLUTCH
23 products
TRANSMISSION
36 products
GEAR CHANGE DRUM/SHIFT FORK(S)
11 products
GEAR CHANGE MECHANISM
17 products
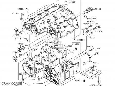
CRANKCASE
26 products
CRANKCASE BOLT PATTERN
9 products
ENGINE COVER(S)
35 products
OIL PAN
5 products
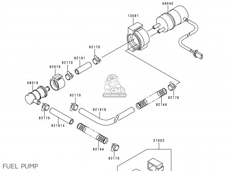
FUEL PUMP
10 products
CARBURETOR
37 products
CARBURETOR PARTS
34 products
FUEL EVAPORATIVE SYSTEM
22 products
OIL PUMP/OIL FILTER
29 products
GENERATOR
8 products
IGNITION SYSTEM
14 products
STARTER MOTOR
21 products
RADIATOR
49 products
OIL COOLER
7 products
FRAME
15 products
FRAME FITTINGS
11 products
BATTERY CASE
36 products
SWINGARM
19 products
REAR SUSPENSION
16 products
FOOTRESTS
19 products
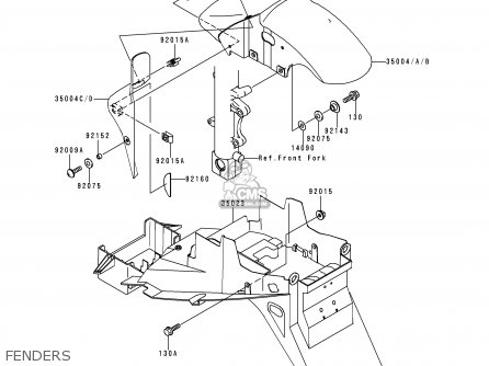
FENDERS
18 products
STAND(S)
7 products
TIRES
10 products
FRONT WHEEL
10 products
REAR WHEEL/CHAIN
23 products
BRAKE PEDAL/TORQUE LINK
4 products
SHOCK ABSORBER(S)
2 products
FRONT MASTER CYLINDER
35 products
FRONT BRAKE
21 products
REAR MASTER CYLINDER
26 products
REAR BRAKE
18 products
HANDLEBAR
33 products
FRONT FORK
23 products
FUEL TANK
29 products
SEAT
7 products
METER(S)
10 products
CABLES
4 products
SIDE COVERS/CHAIN COVER
10 products
HEADLIGHT(S)
11 products
TAILLIGHT(S)
9 products
TURN SIGNALS
15 products
CHASSIS ELECTRICAL EQUIPMENT
28 products
IGNITION SWITCH/LOCKS/REFLECTORS
23 products
OWNER'S TOOLS
21 products
LABELS
8 products
DECALS(EBONY/RED)
18 products
DECALS(GREEN/VIOLET)
18 products
DECALS(BLACK)
4 products
COWLING
30 products
COWLING LOWERS
29 products
PUBLICATIONS
0 products
MODEL IDENTIFCATION
0 products
2000 ZX900-E1 20 PEARL PURPLISH BLACK MICA
0 products
2000 ZX900-E1 G9 LIME GREEN / METALLIC VIOLET ROYAL
0 products
2000 ZX900-E1 J3 EBONY / FIRECRACKER RED
0 products
up
popular products
120041132
VALVE-INTAKE
Kawasaki
920281714
BUSHING,CONNECTING RO
Kawasaki
391561607
PAD,LWR COWLING,LH
Kawasaki
920591961
TUBE,14X17X50
Kawasaki