×
Genuine ZX Kawasaki Parts delivered quickly!
home
ZX600G1 NINJA ZX6R 1998 USA CALIFORNIA CANADA
CYLINDER HEAD
43 products
CYLINDER HEAD COVER
10 products
CYLINDER/PISTON(S)
11 products
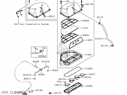
AIR CLEANER
31 products
AIR DUCT
33 products
MUFFLER(S)
16 products
VALVE(S)
34 products
CAMSHAFT(S)/TENSIONER
13 products
CRANKSHAFT
13 products
CLUTCH
23 products
TRANSMISSION
32 products
GEAR CHANGE DRUM/SHIFT FORK(S)
11 products
GEAR CHANGE MECHANISM
17 products
CRANKCASE
28 products
CRANKCASE BOLT PATTERN
10 products
ENGINE COVER(S)
32 products
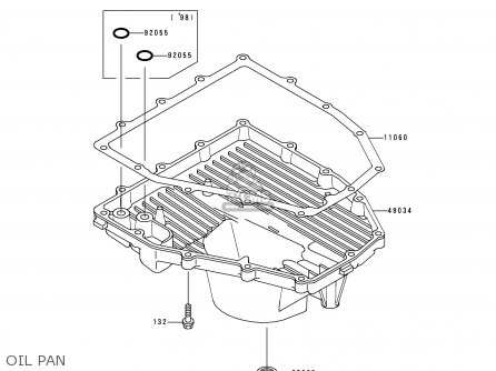
OIL PAN
6 products
FUEL PUMP
10 products
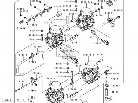
CARBURETOR
42 products
CARBURETOR PARTS
36 products
FUEL EVAPORATIVE SYSTEM
27 products
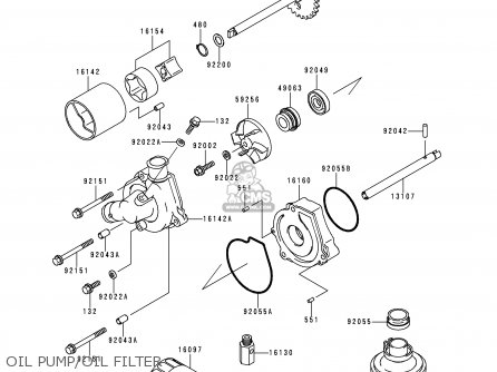
OIL PUMP/OIL FILTER
26 products
GENERATOR
7 products
IGNITION SYSTEM
19 products
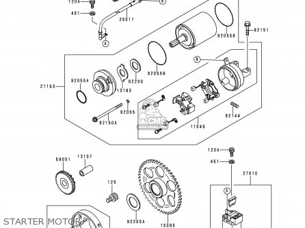
STARTER MOTOR
25 products
RADIATOR
45 products
OIL COOLER
8 products
FRAME
15 products
FRAME FITTINGS
11 products
BATTERY CASE
35 products
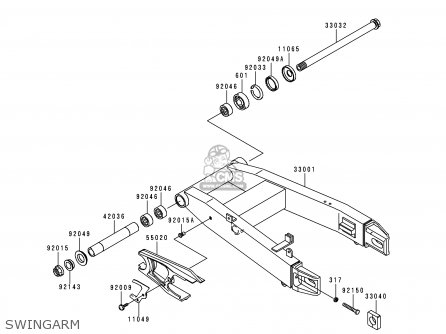
SWINGARM
18 products
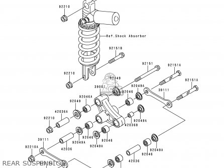
REAR SUSPENSION
15 products
FOOTRESTS
19 products
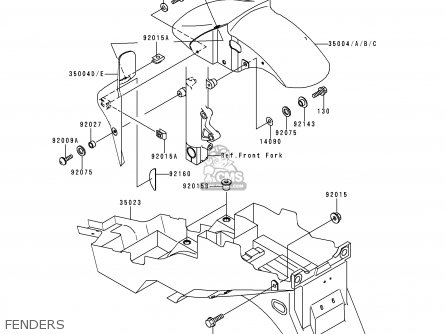
FENDERS
19 products
STAND(S)
7 products
TIRES
8 products
FRONT WHEEL
9 products
REAR WHEEL/CHAIN
22 products
BRAKE PEDAL/TORQUE LINK
4 products
SHOCK ABSORBER(S)
2 products
FRONT MASTER CYLINDER
38 products
FRONT BRAKE
18 products
REAR MASTER CYLINDER
27 products
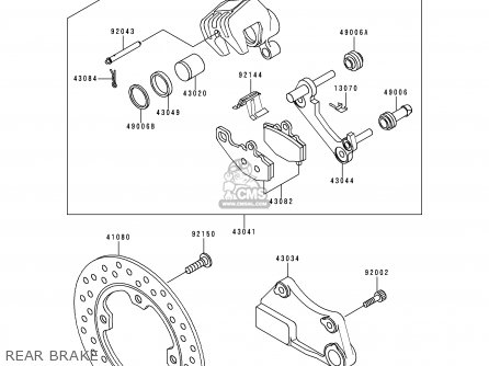
REAR BRAKE
18 products
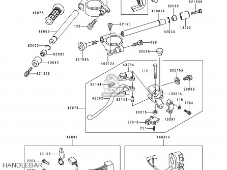
HANDLEBAR
36 products
FRONT FORK
23 products
FUEL TANK(ZX600-G1)
31 products
SEAT
8 products
METER(S)
10 products
CABLES
3 products
SIDE COVERS/CHAIN COVER(ZX600-G1)
10 products
HEADLIGHT(S)
6 products
TAILLIGHT(S)
9 products
TURN SIGNALS
15 products
CHASSIS ELECTRICAL EQUIPMENT
19 products
IGNITION SWITCH/LOCKS/REFLECTORS
23 products
OWNER'S TOOLS
19 products
LABELS
7 products
DECALS(RED/EBONY/VIOLET)
14 products
DECALS(GREEN/VIOLET)
14 products
DECALS(RED)
4 products
COWLING(ZX600-G1)
21 products
COWLING LOWERS(ZX600-G1)
27 products
GASKET KIT
22 products
CHAIN KIT
1 products
PUBLICATIONS
0 products
MODEL IDENTIFCATION
0 products
1998 ZX600-G1 G9 LIME GREEN / METALLIC VIOLET ROYAL
0 products
1998 ZX600-G1 H1 SUNBEAM RED
0 products
1998 ZX600-G1 J3 EBONY / FIRECRACKER RED
0 products
1999 ZX600-G2 20 PEARL PURPLISH BLACK MICA
0 products
1999 ZX600-G2 7F LIME GREEN
0 products
1999 ZX600-G2 B1 FIRECRACKER RED
0 products
up
popular products
92127003
TOOL-WRENCH,ALLEN,6MM
Kawasaki
160071160
SEAT-SPRING,EXHAUST
Kawasaki
921451179
SPRING,THROTTLE ADJUS
Kawasaki
920721197
BAND
Kawasaki