×
Genuine ZX Kawasaki Parts delivered quickly!
home
ZX600C2 NINJA 600R 1989 USA CALIFORNIA CANADA
CYLINDER HEAD
15 products
CYLINDER HEAD COVER
14 products
CYLINDER/PISTON(S)
13 products
AIR CLEANER
28 products
MUFFLER(S)
15 products
VALVE(S)
17 products
CAMSHAFT(S)/TENSIONER
21 products
CRANKSHAFT
29 products
SECONDARY SHAFT
13 products
CLUTCH
16 products
TRANSMISSION
32 products
GEAR CHANGE DRUM/SHIFT FORK(S)
17 products
GEAR CHANGE MECHANISM
17 products
CRANKCASE
28 products
CRANKCASE BOLT PATTERN
4 products
ENGINE COVER(S)
23 products
OIL PAN
8 products
CARBURETOR
51 products
CARBURETOR PARTS
33 products
FUEL EVAPORATIVE SYSTEM
16 products
OIL PUMP/OIL FILTER
27 products
GENERATOR
8 products
IGNITION SYSTEM
24 products
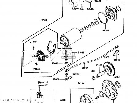
STARTER MOTOR
28 products
RADIATOR(C1/C2-505600)
49 products
RADIATOR(C2,505601-)
50 products
FRAME
15 products
FRAME FITTINGS
11 products
BATTERY CASE
42 products
SWINGARM
11 products
REAR SUSPENSION
19 products
FOOTRESTS
14 products
FENDERS
13 products
STAND(S)
8 products
TIRES
6 products
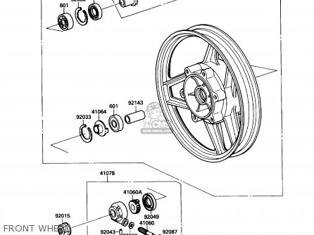
FRONT WHEEL
17 products
REAR WHEEL/CHAIN
21 products
BRAKE PEDAL/TORQUE LINK
12 products
SHOCK ABSORBER(S)
10 products
FRONT MASTER CYLINDER
27 products
FRONT BRAKE(03202E)
21 products
REAR MASTER CYLINDER
22 products
REAR BRAKE
19 products
HANDLEBAR
26 products
FRONT FORK
34 products
FUEL TANK
45 products
SEAT
15 products
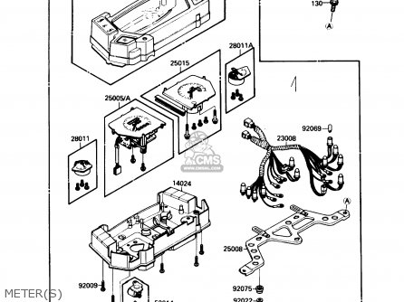
METER(S)
19 products
CABLES
8 products
SIDE COVERS/CHAIN COVER
19 products
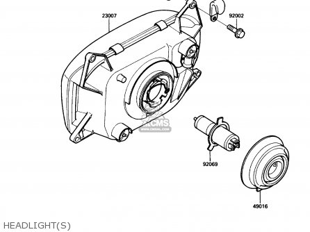
HEADLIGHT(S)
5 products
TAILLIGHT(S)
21 products
TURN SIGNALS
18 products
CHASSIS ELECTRICAL EQUIPMENT
29 products
CHASSIS ELECTRICAL EQUIPMENT
30 products
IGNITION SWITCH/LOCKS/REFLECTORS
24 products
OWNER'S TOOLS
16 products
LABELS
7 products
DECALS
13 products
DECALS
13 products
COWLING (ZX600-C2)
46 products
Publications
0 products
Model Identification
0 products
1988 ZX600-C1 00
0 products
1989 ZX600-C2 01
0 products
1989 ZX600-C2 03
0 products
up
popular products
920271438
COLLAR,22X34X7.3
Kawasaki
490161044
COVER-SEAL,MASTER CYL
Kawasaki
920551053
O RING,DRAIN SCREW
Kawasaki
920261022
SPACER,20.3X30X2.0
Kawasaki