×
Genuine VN Kawasaki Parts delivered quickly!
home
VN750A7 VULCAN 750 1991 USA CALIFORNIA CANADA
CYLINDER HEAD
28 products
CYLINDER HEAD COVER
26 products
CYLINDER/PISTON
20 products
AIR FILTER
34 products
MUFFLER
22 products
VALVE
11 products
CAMSHAFT/TENSIONER
34 products
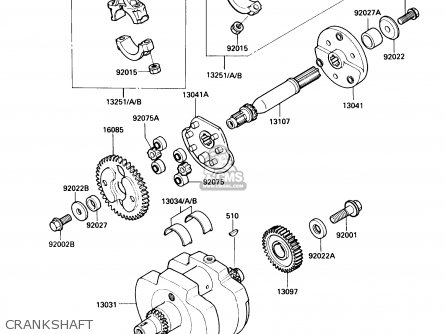
CRANKSHAFT
25 products
CLUTCH
22 products
TRANSMISSION
21 products
CHANGE DRUM/SHIFT FORK
18 products
GEAR CHANGE MECHANISM
17 products
CRANKCASE
36 products
ENGINE COVER
23 products
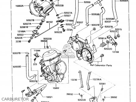
CARBURETOR
42 products
CARBURETOR PARTS
43 products
CANISTER
20 products
OIL PUMP
42 products
GENERATOR
7 products
IGNITION COIL
24 products
STARTER MOTOR
28 products
RADIATOR
59 products
FRONT BEVEL GEAR
50 products
DRIVE SHAFT/FINAL GEAR
49 products
FRAME
16 products
FRAME FITTING
9 products
BATTERY CASE
25 products
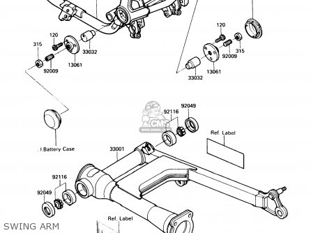
SWING ARM
8 products
SUSPENSION/SHOCK ABSORBER
9 products
FOOTREST
19 products
FENDER
5 products
STAND
10 products
TIRE
6 products
FRONT HUB
16 products
REAR HUB
21 products
BRAKE PEDAL
19 products
FRONT MASTER CYLINDER(VN750-A7/A8/A9)
26 products
FRONT BRAKE
17 products
HANDLEBAR
24 products
FRONT FORK
32 products
FUEL TANK
31 products
SEAT
3 products
METER
33 products
CABLE
13 products
SIDE COVER
5 products
HEAD LAMP
22 products
TAIL LAMP
21 products
TURN SIGNAL
10 products
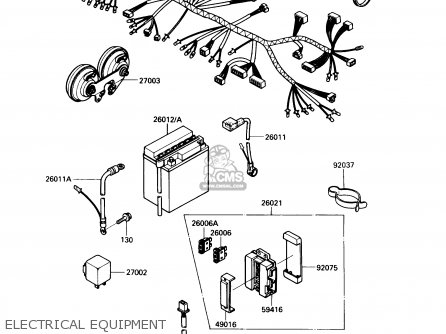
ELECTRICAL EQUIPMENT
18 products
IGNITION SWITCH
17 products
TOOL
11 products
LABEL
11 products
DECAL(RED/RED)(VN750-A6/A7)
7 products
PUBLICATIONS
0 products
MODEL IDENTIFCATION
0 products
up
popular products
920631069
MAIN JET,2ND #125
Kawasaki
920251677
SHIM,52.5X61.5X1.4
Kawasaki
920251673
SHIM,52.5X61.5X1.0
Kawasaki
920631074
MAIN JET,2ND #128
Kawasaki