×
Genuine KX Kawasaki Parts delivered quickly!
home
KX80-X3 KX80II 2000 EUROPE AS
CYLINDER HEAD/CYLINDER
31 products
AIR CLEANER
12 products
MUFFLER(S)
17 products
CRANKSHAFT/PISTON(S)
15 products
KICKSTARTER MECHANISM
22 products
CLUTCH
16 products
TRANSMISSION
18 products
GEAR CHANGE DRUM/SHIFT FORK(S)
10 products
GEAR CHANGE MECHANISM
13 products
CRANKCASE
27 products
ENGINE COVER(S)
41 products
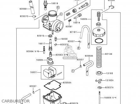
CARBURETOR
51 products
GENERATOR
10 products
IGNITION SYSTEM
5 products
RADIATOR
19 products
FRAME
6 products
FRAME FITTINGS
17 products
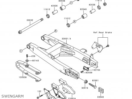
SWINGARM
19 products
SUSPENSION
15 products
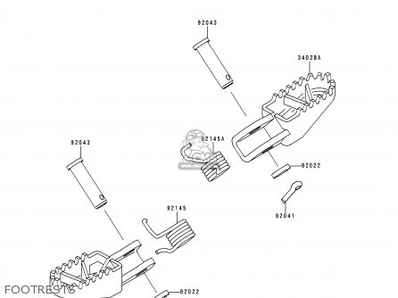
FOOTRESTS
7 products
FENDERS
10 products
STAND(S)
1 products
TIRES
19 products
FRONT HUB
10 products
REAR HUB
21 products
BRAKE PEDAL
4 products
SHOCK ABSORBER(S)
17 products
FRONT MASTER CYLINDER
27 products
FRONT BRAKE
18 products
REAR MASTER CYLINDER
23 products
REAR BRAKE
19 products
HANDLEBAR
24 products
FRONT FORK
39 products
FUEL TANK
19 products
SEAT
1 products
CABLES
3 products
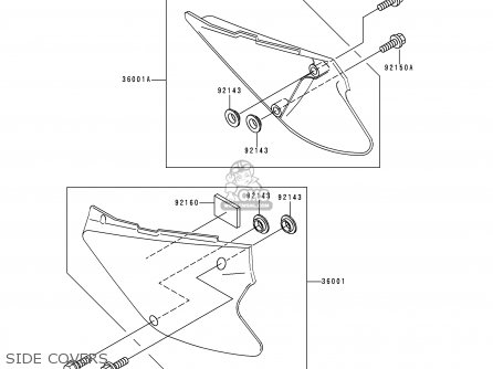
SIDE COVERS
6 products
OWNER'S TOOLS
2 products
LABELS
7 products
OPTIONAL PARTS
9 products
ACCESSORY
2 products
2000 KX80-X3 7F LIME GREEN
0 products
2000 KX80-Z3 7F LIME GREEN
0 products
PUBLICATIONS
0 products
MODEL IDENTIFCATION
0 products
up
popular products
490471064
ROD-SHIFT,L=81
Kawasaki
110601795
GASKET,CLUTCH COVER (NAS)
Kawasaki
131441023
SPROCKET-OUTPUT,13T
Kawasaki
920261136
SPACER,22.2X37X1.0
Kawasaki