×
Genuine KX Kawasaki Parts delivered quickly!
home
KX80-J1 1986 UNITED KINGDOM AL
CHANGE DRUM/SHIFT FORK
10 products
GEAR CHANGE MECHANISM
13 products
CRANKCASE
24 products
ENGINE COVER
20 products
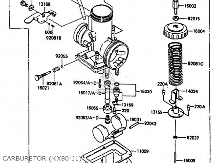
CARBURETOR (KX80-J1)
54 products
CYLINDER HEAD/CYLINDER
15 products
AIR FILTER
14 products
MUFFLER
13 products
CRANKSHAFT/PLSTON
15 products
KICKSTARTER MECHANISM
21 products
CLUTCH
20 products
TRANSMISSION
18 products
CARBURETOR (KX80-J2)
50 products
GENERATOR
9 products
IGNITION COIL
8 products
RADIATOR
18 products
TIRE
18 products
FRONT HUB
9 products
REAR HUB
31 products
BRAKE PEDAL
18 products
SHOCK ABSORBER
23 products
FRAME
5 products
FRAME FITTING
12 products
SWING ARM
19 products
SUSPENSION
16 products
STEP
6 products
FENDER
6 products
STAND
6 products
SIDE COVER
6 products
TOOL
2 products
LABEL
6 products
OPTIONAL PARTS
5 products
ACCESSORY
6 products
FRONT MASTER CYLINDER
24 products
FRONT CALIPER
15 products
HANDLEBAR
24 products
FRONT FORK
29 products
FUEL TANK
16 products
SEAT
3 products
CABLE
2 products
PUBLICATIONS
0 products
MODEL IDENTIFICATION
0 products
up
popular products
600A0400
BALL-STEEL,1/8
Kawasaki
92045026
BEARING,BALL,#627
Kawasaki
18071003
SPRING,MUFFLER CONNEC
Kawasaki
920371589
CLAMP,COOLING HOSE
Kawasaki