×
Genuine KX Kawasaki Parts delivered quickly!
home
KX80-E3 1985 UNITED KINGDOM AL
CHANGE DRUM/SHIFT FORK
8 products
GEAR CHANGE MECHANISM
9 products
CRANKCASE
19 products
ENGINE COVER
22 products
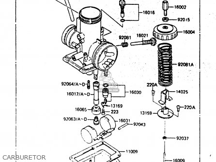
CARBURETOR
46 products
CYLINDER HEAD/CYLINDER
13 products
AIR FILTER
17 products
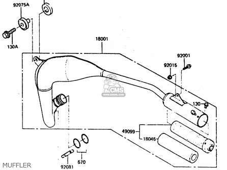
MUFFLER
11 products
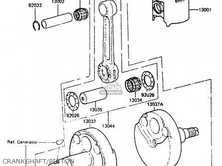
CRANKSHAFT/PISTON
16 products
KICKSTARTER MECHANISM
22 products
CLUTCH
19 products
TRANSMISSION
20 products
GENERATOR
8 products
IGNITION COIL
9 products
RADIATOR
16 products
TIRE
17 products
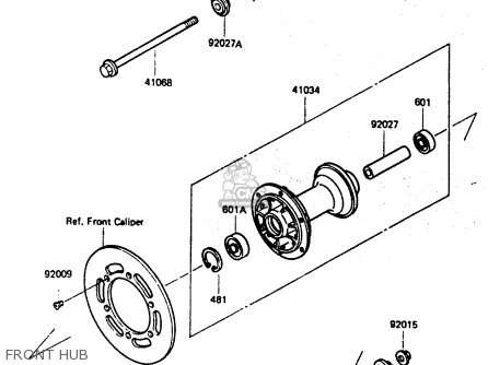
FRONT HUB
9 products
REAR HUB
33 products
BRAKE PEDAL
19 products
SHOCK ABSORBER
20 products
FRAME
8 products
FRAME FITTING
11 products
SWING ARM
23 products
SUSPENSION
21 products
STEP
6 products
FENDER
7 products
STAND
6 products
SIDE COVER
7 products
TOOL
2 products
LABEL
4 products
OPTIONAL PARTS
9 products
ACCESSORY
7 products
FRONT MASTER CYLINDER
24 products
FRONT CALIPER
15 products
HANDLEBAR
24 products
FRONT FORK
30 products
FUEL TANK
16 products
SEAT
2 products
CABLE
3 products
PUBLICATIONS
0 products
MODEL IDENTIFICATION
0 products
up
popular products
131441023
SPROCKET-OUTPUT,13T
Kawasaki
110121391
CAP,VALVE AIR
Kawasaki
920551300
RING-O,FUEL TAP PACKI
Kawasaki
601B6300UU
BEARING-BALL,#6300UUC
Kawasaki