×
Genuine KX Kawasaki Parts delivered quickly!
home
KX500-D1 1988 EUROPE UK AL
CYLINDER HEAD/CYLINDER
37 products
AIR CLEANER
12 products
MUFFLER(S)
17 products
CRANKSHAFT/PISTON(S)
15 products
KICKSTARTER MECHANISM
24 products
CLUTCH
19 products
TRANSMISSION
21 products
GEAR CHANGE DRUM/SHIFT FORK(S)
10 products
GEAR CHANGE MECHANISM
15 products
CRANKCASE
24 products
ENGINE COVER(S)
50 products
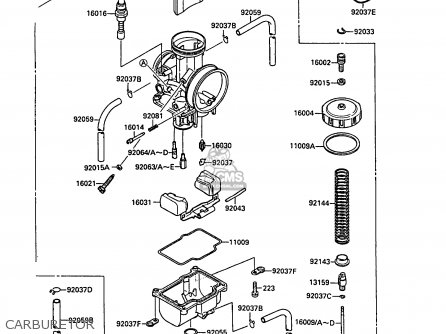
CARBURETOR
50 products
GENERATOR
5 products
IGNITION SYSTEM
10 products
RADIATOR
19 products
FRAME
7 products
FRAME FITTINGS
17 products
SWINGARM
24 products
SUSPENSION
11 products
FOOTRESTS
8 products
FENDERS
13 products
STAND(S)
1 products
TIRES
25 products
FRONT HUB
8 products
REAR HUB
22 products
BRAKE PEDAL
5 products
SHOCK ABSORBER(S)
21 products
FRONT MASTER CYLINDER
23 products
FRONT BRAKE
18 products
REAR MASTER CYLINDER
22 products
REAR BRAKE
15 products
HANDLEBAR
25 products
FRONT FORK
46 products
FUEL TANK
17 products
SEAT
3 products
CABLES
2 products
SIDE COVERS
5 products
OWNER'S TOOLS
2 products
LABELS
5 products
ACCESSORY
2 products
1988 KX500-D1 00
0 products
Publications
0 products
Model Identification
0 products
up
popular products
490471064
ROD-SHIFT,L=81
Kawasaki
13033031
BEARING,KTV19242.5
Kawasaki
920281145
BUSHING
Kawasaki
490471063
ROD-SHIFT,L=64.5
Kawasaki