×
Genuine KX Kawasaki Parts delivered quickly!
home
KX250-K5 1998 USA CANADA
CYLINDER HEAD/CYLINDER
59 products
AIR CLEANER
15 products
MUFFLER(S)
18 products
CRANKSHAFT/PISTON(S)
15 products
KICKSTARTER MECHANISM
21 products
CLUTCH
18 products
TRANSMISSION
20 products
GEAR CHANGE DRUM/SHIFT FORK(S)
9 products
GEAR CHANGE MECHANISM
13 products
CRANKCASE
37 products
ENGINE COVER(S)
52 products
CARBURETOR
58 products
GENERATOR
13 products
IGNITION SYSTEM
9 products
RADIATOR
19 products
FRAME
8 products
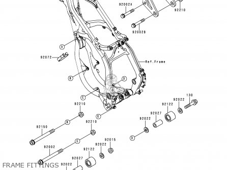
FRAME FITTINGS
14 products
SWINGARM
22 products
REAR SUSPENSION
18 products
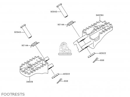
FOOTRESTS
6 products
FENDERS
12 products
STAND(S)
1 products
WHEELS/TIRES
16 products
FRONT HUB
8 products
REAR HUB
25 products
BRAKE PEDAL
4 products
SHOCK ABSORBER(S)
18 products
FRONT MASTER CYLINDER
29 products
FRONT BRAKE
17 products
REAR MASTER CYLINDER
26 products
REAR BRAKE
20 products
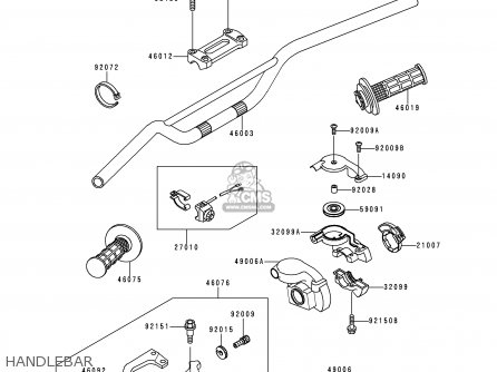
HANDLEBAR
27 products
FRONT FORK
48 products
FUEL TANK
16 products
SEAT
3 products
CABLES
5 products
SIDE COVERS
4 products
OWNER'S TOOLS
2 products
LABELS
7 products
GASKET KIT
24 products
CHAIN KIT
1 products
ACCESSORY
3 products
1998 KX250-K5 7F LIME GREEN
0 products
Publications
0 products
Model Identification
0 products
up
popular products
131441027
ENGINE SPROCKET,13T
Kawasaki
420361248
SLEEVE,10X16X19
Kawasaki
921431581
COLLAR,FR AXLE,L=20
Kawasaki
110041241
GASKET-HEAD,T=0.46 (NAS)
Kawasaki