×
Genuine KX Kawasaki Parts delivered quickly!
home
KX125-K4 1997 EUROPE FR AS
CYLINDER HEAD/CYLINDER
49 products
AIR CLEANER
12 products
MUFFLER(S)
18 products
CRANKSHAFT/PISTON(S)
17 products
KICKSTARTER MECHANISM
20 products
CLUTCH
18 products
TRANSMISSION
19 products
GEAR CHANGE DRUM/SHIFT FORK(S)
9 products
GEAR CHANGE MECHANISM
13 products
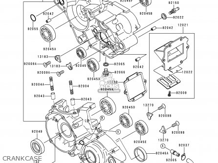
CRANKCASE
39 products
ENGINE COVER(S)
48 products
CARBURETOR
50 products
GENERATOR
10 products
IGNITION SYSTEM
7 products
RADIATOR
19 products
FRAME
8 products
FRAME FITTINGS
13 products
SWINGARM
22 products
SUSPENSION
15 products
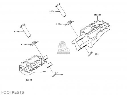
FOOTRESTS
5 products
FENDERS
10 products
STAND(S)
1 products
TIRES
18 products
FRONT HUB
8 products
REAR HUB
25 products
BRAKE PEDAL
4 products
SHOCK ABSORBER(S)
18 products
FRONT MASTER CYLINDER
26 products
FRONT BRAKE
17 products
REAR MASTER CYLINDER
26 products
REAR BRAKE
20 products
HANDLEBAR
27 products
FRONT FORK
44 products
FUEL TANK
16 products
SEAT
3 products
CABLES
4 products
SIDE COVERS
4 products
OWNER'S TOOLS
2 products
LABELS
10 products
ACCESSORY
3 products
1997 KX125-K4 7F LIME GREEN
0 products
Publications
0 products
Model Identification
0 products
up
popular products
131591063
CONNECTOR,THROTTLE CA
Kawasaki
920591898
TUBE,4X7X480
Kawasaki
920331209
RING-SNAP
Kawasaki
921431705
COLLAR
Kawasaki