×
Genuine KD Kawasaki Parts delivered quickly!
home
KD175-A4 1979 CANADA
CYLINDER/HEAD CYLINDER
17 products
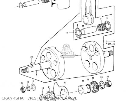
CRANKSHAFT/PISTON/ROTARY VALVE
30 products
CRANKCASE
33 products
CLUTCH
29 products
TRANSMISSION
29 products
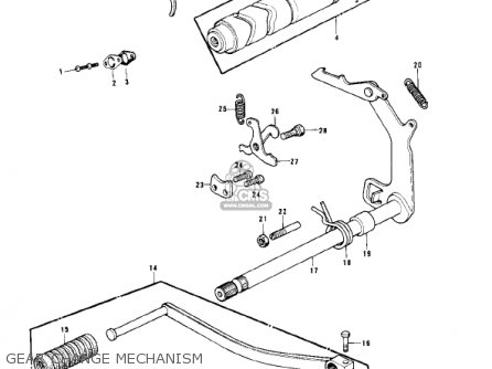
GEAR CHANGE MECHANISM
30 products
KICKSTARTER MECHANISM
15 products
MUFFLER
21 products
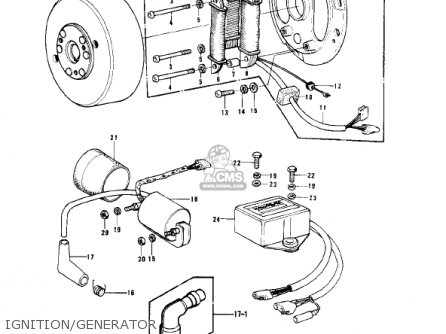
IGNITION/GENERATOR
26 products
ROTARY VALVE COVER
14 products
ENGINE COVERS
32 products
OIL PUMP
24 products
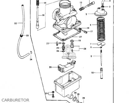
CARBURETOR
46 products
AIR CLEANER
16 products
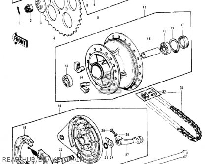
REAR HUB/BRAKE/CHAIN
35 products
FENDERS/NUMBER PLATE
35 products
FUEL TANK
16 products
SIDE COVER/OIL TANK/CHAIN COVER
22 products
SEAT
13 products
FRAME/FRAME FITTINGS
33 products
SWING ARM/SHOCK ABSORBERS
37 products
FOOTRESTS/STAND/BRAKE PEDAL
18 products
HANDLEBAR
24 products
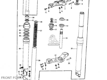
FRONT FORK
41 products
WHEELS/TIRES
17 products
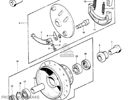
FRONT HUB/BRAKE
20 products
CABLES
23 products
OWNER TOOLS
19 products
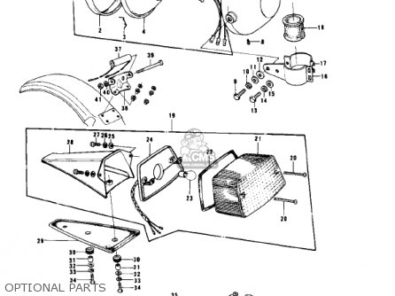
OPTIONAL PARTS
43 products
up
popular products
92037197
FRONT BRAKE CABLE CLAMP
Kawasaki
920631033
JET-MAIN,#A100R
Kawasaki
920631035
MAIN JET,#97.5R
Kawasaki
601B6004
BEARING-BALL,#6004C3
Kawasaki