×
Genuine AR Kawasaki Parts delivered quickly!
home
AR80C2 1984 USA / MPH
CHANGE DRUM/SHIFT FORK
5 products
GEAR CHANGE MECHANISM
12 products
CRANKCASE
19 products
ENGINE COVER
13 products
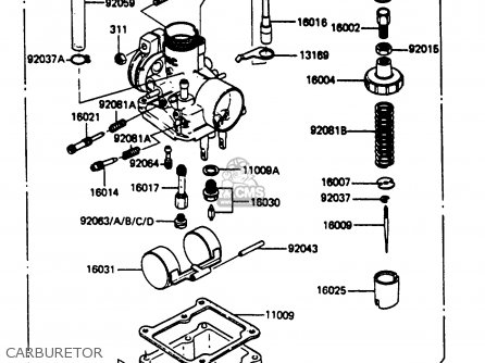
CARBURETOR
38 products
CYLINDER HEAD/CYLINDER
11 products
AIR FILTER
12 products
MUFFLER
12 products
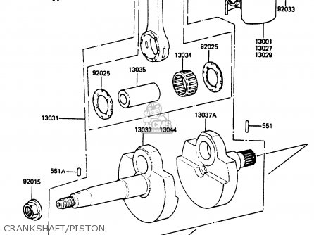
CRANKSHAFT/PISTON
24 products
KICKSTARTER MECHANISM
24 products
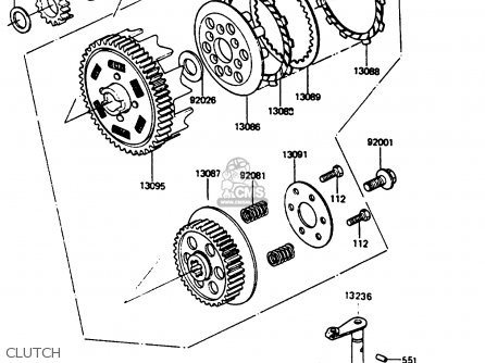
CLUTCH
18 products
TRANSMISSION
20 products
OIL PUMP
15 products
GENERATOR
6 products
IGNITION COIL
6 products
FRONT HUB
14 products
REAR HUB
21 products
BRAKE PEDAL
17 products
FRONT MASTER CYLINDER
20 products
FRONT CALIPER
14 products
FRAME
30 products
SWING ARM
10 products
SUSPENSION/SHOCK ABSORBER
16 products
STEP
19 products
FENDER
11 products
STAND
15 products
TIRE
4 products
SIDE COVER/CHAIN CASE
8 products
HEAD LAMP
12 products
TAIL LAMP
7 products
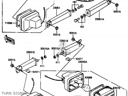
TURN SIGNAL
17 products
HANDLEBAR
15 products
FRONT FORK
22 products
FUEL TANK
13 products
OIL TANK
4 products
SEAT
8 products
METER
17 products
CABLE
11 products
ELECTRICAL EQUIPMENT
15 products
IGNITION SWITCH
16 products
TOOL
11 products
LABEL
6 products
COWLING
12 products
PUBLICATIONS
0 products
MODEL IDENTIFICATION
0 products
up
popular products
130701035
GUIDE,KICK SHAFT
Kawasaki
920451059
BEARING-BALL,R-6304C3
Kawasaki
920261037
SPACER,17.2X23X0.5
Kawasaki
130331009
BEARING-SMALL END
Kawasaki